|
2025 11,20 18:33 |
|
|
2008 06,18 11:58 |
|
|
始まりはそもそもヘッドライトブースターを自作で作ろうとしたこの計画。
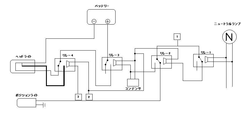
やるんならついでということで信号待ちなんかで、半自動的にライトを消してくれるオートディマー機能を付けてみることにした。 今回も先駆者が何人もいるのでいろいろと参考にさせていただきました。ありがとうございます。 というわけでまずは回路図を書いてみた。 仕組みは簡単でニュートラルランプがつくとリレーが作動し、ヘッドライトに行く+をカットするのである。 さらに、ポジションライトを増設し、カットされた電流をそちらに流すことにより形だけではあるが、常時点灯も満たしている。 ちなみに、コンデンサは、シフトチェンジの際に、1速からニュートラルを通って2速に入る際の、消灯を防ぐための対策だ。コンデンサ内に蓄積させた電流を放電させることにより、2秒間ほどニュートラルの状態でもヘッドライトが作動する仕組みである。 また今回はHIとLOWに対応させている。 部品は下記のとおり。 リレー5極×2 600円 リレー4極×2 500円 赤・黒コード 約300円 電源取り出し用コード5.00sq 約1,0000円 ぎぼし端子 約200円 平型端子 約200円 H4カプラ(メス) 252円 コンデンサー(105℃ 33003300μF 50V×2) 200円 ポジションライトキット 690円 合計 3942円 コンデンサについては とりあえずここまで出来たので、さっそく作ってみたらこんなになった。 結構おっきくなったので、今回もシート下に入れることにする。 ここまでできたら、早速つないでみる。 とりあえず、ヘッドライトをはずし、新しく作ったハーネスをぽんぽんとつなぐ。 まずは、新設のハーネスを通す。 そしてヘッドライト。とりあえずポジションライトの増設である。 今回使った商品はこちら ポラーグH4バルブ用ポジションランプキット(イエロー) こいつをとりつける。とりつけるには以下の加工が必要である。ニッパーで切るだけだが。 で、取り付けたらこんな感じである。 そしてこれを、回路図どおりに+は引っ張ってきたものにつなぎ、-はボディーアースからとることにした。 次に、その他もろもろの敗戦をつなげていく。 まず、回路図の四角2と四角3を、既存のH4カプラーに差し込む。こいつでリレー4を作動させHIとLOWを切り替えるのである。 また、この四角2と3は、キーオンの役割も含めている。2は緑のコードがつながっているところへ差し込み、3は青のコードのところに差し込む。 そして次に、オートディマー回路の心臓部ともいえる配線をつなぐ。こればっかりは、既存のハーネスをちょっと加工することになる。 で、つなげるとこんな感じだ。 プラスは、ハーネスの若葉/赤のコードから分岐させてとり、-は3Pミニカプラのニュートラルランプを担当している黒/茶のコードから分岐させて取る。 で、次に四角1の電源を取る。 こいつは、もしかしたらバッテリーから直接とってもいいのかもしれないが。配線があまっていたので、キーオンの役割もかねてヘッドライトのハーネスからとることにした。 で、最後に、新設のヘッドライト用のH4カプラーを取り付ける。 ここまでで、ヘッドライト側の取り付けは完了である。あとはぎゅっと押し込むだけだ。 そしてここまでやったら、さいごにバッテリー側に取り付ける。 完成である。 では、実験です。 ブースター取り付け前 取り付け後 写真ではわかりづらいが、結構明るくなった。これは良い。 で、ディマースイッチ ニュートラルで 成功である。1速から2速へのシフトチェンジも問題なくこなす。視認性も問題なさそうだ。 ポジションライトへの切り替えは、やはり約2秒程度であった。 コストの割りに、なかなか面白い機能がついたので大満足である。 今後は、オートディマーのキャンセル装置を作る予定である。 お世話になったサイト バイクDEポレポレ BANメンテ -俺流- ありがとうございました。 PR |
|
コメント |
| コメント投稿 |
|
|
| trackback |
|
トラックバックURL |
| 忍者ブログ [PR] |



